模电复习1
00-01 绪论
- 为什么要学模电?学什么?怎么学?
- 电子技术是研究电子器件、电子电路及其应用的科学技术
00-02 基本概念
- 电子系统处理信号,信号是信息的载体
- 模拟信号和数字信号的概念
- 通过A/D和D/A将模拟和数字信号进行转换
01-01 本征半导体
- 半导体材料:锗、硅、砷化镓和一些硫化物、氧化物
- 半导体的导电特性:热敏性、光敏性、掺杂性
- 本征半导体的概念
- 本征激发和复合的概念
- 自由电子和空穴成为载流子
01-02 杂质半导体
- 掺入三价或者五价元素
- 掺入五价元素,如磷原子 N型半导体/电子半导体
- 掺入三价元素,如硼原子 P型半导体/空穴半导体
- 多子和少子的概念
- 在杂志半导体中,多子的浓度主要取决于掺杂浓度(本征激发),少子的浓度与温度有较大关系
- 在杂质半导体中,少子数目比未掺杂的数目减少了
- 杂质半导体呈电中性,本身不带电
- 在杂质半导体中,温度变化,载流子数目变化,多子和少子数目变化相同,浓度变化不同,少子浓度变化大
01-03 PN结
- 空间电荷区的概念及形成(耗尽层,势垒区)
- 内电场的概念,内电场阻碍多子运动,少子在内电场的作用下运动,称为漂移运动
- 达到动态平衡,空间电荷区厚度保持不变
- 掺杂浓度不同,空间电荷区在两种不同杂质半导体的厚度不同,浓度低的厚度大
- 加正偏电压,产生外电场,多子在外电场的作用下定向移动形成正向电流
- 加正偏电压,产生外电场,外电场阻碍多子的运动,促进少子漂移运动,增大空间电荷区厚度
- 温度越高,少子浓度越大,反向电流越大
- 势垒电容,扩散电容的概念,总电容=
- 势垒电容,反偏时起主要作用,扩散电容正偏时起主要作用
- 任何电子或电气系统都是对频率敏感的
02-01 二极管的组成
- 二极管的分类:小功率、大功率、稳压、点接触型、面接触型、平面型
- 点接触型:结面积小,结允许电流小,结电容小,最高工作频率高
- 面接触型:结面积大,结允许电流大,结电容大,最高工作频率底
- 平面型:结面积可大可小,小的工作频率高,大的允许电流大
02-02 二极管的伏安特性及电流方程
-
-
测量电路
-
曲线图,特点:非线性
-
工作区划分:死区,导通区,反向截至区,反向击穿区
-
反向饱和电流和导通压降在图中的位置及各种半导体材料的值
-
电击穿(可逆):雪崩击穿(掺杂浓度低),齐纳击穿(掺杂浓度高)
-
热击穿(不可逆)
-
特性方程:
温度电压当量
-
正向偏置:
反向偏置,
-
正向特性为指数曲线,反向特性为横轴平行线
-
电压不变,温度增大,正向特性曲线左移,反向特性曲线下移
-
温度对单行特性的影响较大
-
二极管的动态电阻个静态电阻的概念
-
静态电阻
-
动态电阻
02-03 二极管的主要参数
- 最大整流电流:二极管长期使用时允许二极管的最大正向平均电流
- 最大反向工作电压:保证二极管不被击穿而给出的反向峰值电压,一般是
- 反向电流:二极管加规定工作电压时的反向电流
- 最高工作频率:取决于PN结的结电容大小,超过的话,单向导电性变得较差
- 选用二极管的一般原则:
- 要求导通压降较小时选锗管,要求反向电流小时选硅管
- 要求工作电流大时选面接触型
- 要求频率高时选点接触型
- 要求反向击穿电压高时选硅管
- 要求温度特性好时选硅管
- 为什么二极管的反向饱和电流与所加的电压基本没有关系,而当温度升高时又明显增大
- 怎样用万用表判断二极管的正负极和管子的好坏
- 用万用表的X10档测得二极管的正向电阻为200欧姆,若用X100档测量,读数会有什么变化
03-01 二极管电路的分析思路
-
电源反接保护电路
-
叠加原理,信号响应=直流响应+交流响应
-
静态和动态的概念
-
分析电路先静态后动态
-
符号规定:
- 直流分量(大符号,大下标)
- 交流分量(小符号,小下标)
- 电流总瞬时值(小符号,大下标)
- 电流有效值(大符号,小下标)
- 交流幅值
-
-
交流信号驮载在直流信号之上
-
分析方法:
- 数值求解法
- 图解法
- 等效模型分析方法
03-02 二极管电路图解分析方法
- 图解分析:利用器件伏安特性曲线和外电路的特性曲线,通过作图的方法求解电路问题
- 静态分析:假设交流信号为0,得到直流通路,结合外电路的特性曲线得到静态工作点Q()
- 动态分析:直流电源置0,得到交流通路,在静态工作点基础上,进行小信号分析
- 图解法:
- 优点:直观,帮助理解电路参数对特性的影响
- 缺点:有作图误差,某些参数无法求取
- 前提:已知器件的实际伏安特性曲线
- 例题:
03-03 二极管的等效模型
-
特性曲线具有局部线性的特性
-
等效电路:选择合适的原件,等效反应设备或系统在特定工作区域的实际端口特性
建模——线性化——应用线性电路分析方法分析电路
-
理想模型
-
三个模型成立的条件:二极管工作在线性区
03-04 二极管等效模型分析方法
-
定性分析:
- 将二极管断开
- 分析二极管阴阳两极接入点间电压的极性和大小
-
定量分析:
- 根据所选择的等效模型得到等效电路
- 利用线性电路分析方法分析电路
-
-
比较小时,选折线模型比较精确
03-05 常见二极管应用电路
-
限幅电路:
-
门电路:
-
其他电路
- 整流电路
- 滤波电路
- 双电源电路
- 供电门
- 倍压电路
04-01 稳压二极管基础
-
符号
-
稳压原理和过程:
04-02 稳压二极管的应用
-
限流电阻选择:
-
例题:
-
稳压管的特点:
- 稳压管工作在反向击穿区;普通二极管工作在正向导通区
- 稳压管反向特性比普通二极管陡,电流虽然在较大范围内变化,但稳压管两端电压变化很小,故具有稳压作用
- 稳压管反向击穿电压比普通二极管低:一般二极管25-50V,稳压管则较低,6v左右的稳压管最稳定
- 稳压管去掉反向击穿电压后,又恢复正常;而普通二极管则失去单向导电性,易于损坏
04-03 其他类型的二极管
05-01 晶体管的结构和工作原理
- 晶体管是一种把输入电流进行放大的半导体器件
- 分类:NPN,PNP型
- 三个极:发射极(e),集电极(c),基极(b),三个区:发射区,集电区,基区,两个结:发射结,集电区
- 图标箭头总是从P型指向N型
05-02 晶体管的放大原理
-
晶体管能实现放大,必须从内部结构和外部偏置条件来保证
-
基区:最薄,掺杂浓度最低,传递和控制载流子
-
发射区:掺杂浓度最高,发射载流子
-
集电极:面积最大,收集载流子
-
集电极和发射极不能混用
-
外部满足条件:发射结正偏,集电极反偏
-
-
-
-
-
在B,C极之间分配比例主要取决于基区宽度,发射区多子浓度,与外加电压无关
-
参数定义:
-
重要结论:
05-03 晶体管的伏安特性
-
晶体管的伏安特性:管子各电极电压与电流的关系曲线,是管子内部载流子运动的外部表现,反映了晶体管的性能
-
测量晶体管特性的试验电路:
-
输入特性曲线:
-
输出特性曲线:
05-04 晶体管的工作区
-
放大区:
-
截止区:
-
饱和区:
-
比较:
-
当晶体管饱和时,约等于0,集射之间如同开关的接通,其间电阻很小,当晶体管饱和时,约等于0,集射之间如同开关的断开,其间电阻很大,可见,晶体管除了放大作用外,还有开关作用
-
晶体管工作状态的判定:
- 三极管结偏置判定法
- 三极管电流关系判定法
-
结偏置判定法:
发射结 集电结 截止 零偏或反偏 反偏 放大 正偏 反偏 饱和 正偏 正偏或零偏 -
饱和区:
- 临界饱和时集电极电流
- $I_{BS}=I_{CS}/{\beta}
-
电流关系判定法:
截止 0 放大 饱和 -
例题:
05-05 晶体管的主要参数
-
共射极电流放大系数:
- 直流放大系数()
- 交流放大系数()
-
和含义不同,但在特性曲线近于平行等距并且较小的情况下,两者数值接近
-
的值并不固定,随的变化而变化
-
共基极电流放大系数:
- 直流放大系数
- 交流放大系数
-
两种放大系数的换算
-
极间反向电流
- 集-基极反向截止电流:硅管:为纳安数量级。是由少数载流子的漂移运动所形成的电流,受温度的影响大
- 集-射极反向截止电流(穿透电流):受温度的影响大,温度升高,升高,也相应升高,
-
极限参数
-
集电极最大允许电流
当值下降到线性放大区值的70%时,所对应的集电极电流称为集电极最大允许电流
-
集射极反向击穿电压
当集-射极之间的电压超过一定的数值时,三极管就会被击穿。
-
集电极最大允许功率损耗
集电极电流通过集电结时所产生的功耗,
-
-
由三个极限参数可画出三极管的安全工作区
-
温度的影响:
06-01 放大的概念与放大电路的性能指标
-
放大电路的功能时把微弱的电信号(电压、电流和功率)放大到所需的量级
-
放大的本质:能量的控制和转换
-
放大的基本要求:不失真——放大的前提
-
信号响应=交流信号响应+直流信号响应
-
静态:放大电路没有输入信号时,电路中各点的电流和电压是直流信号,称为直流工作状态或静止工作状态,简称静态
-
动态:放大电路有输入信号时,电路中的电压和电流随交流信号而变化,称为动态
-
静态参数:
-
放大电路建立正确的静态工作点,是为了使三极管工作在线性区,以保证信号不失真
-
动态参数:
- 放大倍数
- 输入电阻
- 输出电阻
- 非线性失真
- 最大输出幅度
- 通频带(频率响应)
- 最大输出功率、效率、信号噪声比、抗干扰能力
-
放大倍数:表示放大器的放大能力
-
输入电阻:从放大电路的输入端看进去的等效电阻,,一般来说,电压放大,越大越好
- 越大,就越小,从信号源索取的电流越小
- 当信号源有内阻时,越大,就越接近
-
输出电阻: 从放大电路的输出端看进去的等效电阻,
越小,放大电路带负载能力越强,反之则差
06-02 放大电路的偏置和组态
-
组成放大电路时必须遵循以下几个原则:
- 静态:
- 外加直流电源的极性必须使三极管发射结正偏,集电结反偏以保证其工作于放大区
- 配置大小合适的直流电源和电阻以保证合适的静态工作点
- 动态:动态信号能够作用于晶体管的输入回路,在负载上能够获得放大了的动态信号:
- 输入回路的接法应该使输入电压的变化量能够传送到基极回路,并使基极电流产生相应的变化量
- 输出回路的接法应使集电极电流的变化量能够转化为集电极电压的变化,并传送到输出端
- 静态:
-
偏置:利用直流电源,为电路设置固定直流电压和电流(即静态工作点)的过程
-
偏置电路要求:
- 提供晶体管所需的静态工作点
- 保证静态工作点的稳定
-
固定偏置
基极回路确定,不变,改变,静态工作点也改变,不能稳定静态工作点
-
射极偏置
射极偏置引入了直流负反馈
-
分压式偏置
-
电压反馈式偏置
-
常用偏置方式
- 固定偏置
- 射极偏置
- 分压偏置
- 电压反馈式偏置
-
三种组态
-
共射放大电路
-
共集放大电路
-
共基放大电路
-
-
判定组态的方法:哪一极既没有做输入也没有做输出,则为共这一级
-
阻容耦合共射放大电路和直接耦合共射放大电路
06-03 共射放大电路的工作原理
-
输入变化引起输出变化的过程
-
直流、交流分量共存,两种信号分量的作用不同
-
直流分量是基础。保证三极管正确的偏置,保证三极管工作在放大状态,为放大电路提供合适的静态工作点,保证放大电路不失真的放大信号
-
交流分量是被放大的量
07-01 直流通路和交流通路
- 直流时基础,交流时目的,交流驮载在直流之上
- 放大电路中的电抗元件对直流信号和交流信号呈现的阻抗时不同的
- 电容:隔直通交,对直流信号的阻抗是无穷大,视为断路;对交流信号在电容上的压降可以忽略,可视为短路
- 电感:隔交通直,对直流信号而言阻抗很小,视为短路;对交流呈现感抗,理想下视为断路
- 理想直流电压源:由于其电压恒定不变,即电压变化量等子零,故在交流作用下相当于短路
- 理想直流电压源:由于其电流恒定不变,即电流变化量等子零,故在交流作用下相当于开路
- 直流通路:无交流信号源作用时,电流(直流电流)流经的通路,用来分析静态工作点
- 交流通路:在输入信号的作用下,交流信号流经的通路,用来计算电压放大倍数,输入电阻,输出电阻等动态性能指标
- 画好放大电路交直流通路的意义:
- 是进行静态分析和动态分析的基础
- 直流通路——识别偏置方式,定性判断静态特性
- 交流通路——识别电路组态,定性判断交流特性
- 判断电路是否满足放大电路的组成要求
- 如何画直流通路?
- 交流电压信号源短路,保留内阻
- 交流电流信号源开路,保留内阻
- 电容视为开路
- 电感视为短路
- 如何画交流通路?
- 大容量电容视为短路
- 无内阻的直流电源视为短路
- 关于电感处理:在中低频电路中,电感元件往往体积、重量比较大,所以一般在电路设计时都避免使用电感。 高频电路中,电感使用就比较多了,分析时,当然是用“隔交通直”来处理扼流圈等电感量较大的电感元件了。若在谐振、耦合等电路中,电感量是重要参数,不能简化为短路或断路。
07-02 静态分析估算法
-
静态分析的目标:求取静态工作点
-
静态分析的意义:
- 确认三极管的工作状态
- 是动态分析的基础
-
静态分析的方法
- 估算法
- 图解法
-
估算法步骤
-
例题
-
估算法的一般步骤:
- 画出放大电路的直流通路
- 根据基极回路求
- 由BJT的电流分配关系求
- 由集电极回路求
07-03 静态分析图解法
-
静态工作点()和()分别对应于输入输出特性曲线上的一个点
-
图解法:利用晶体管的特性曲线,通过作图的方法分析静态工作点
-
图解法的优点:
- 能直观地分析各个参数对静态工作点的影响
- 能直观地了解静态工作点变化对放大电路静态特性的影响
-
图解法前提:已知器件的实际伏安特性曲线
-
输入和输出回路方程
-
电路参数对静态工作点的影响
-
如何有效地调整静态工作点,一般调节,改变,牵一发而动全身且不会影响输出特性
08-01 BJT基本放大电路交流分析思路
- 交流分析方法:
- 采用非线性电路的分析方法
- 等效电路分析法
- 图解法
- 把非线性元件晶体管所组成的放大电路等效为一个线性电路,即把非线性的晶体管线性化,等效为一个线性元件,简化放大电路的分析和设计
- 晶体管小信号交流等效模型
- 物理模型
- 参数等效模型
- T参数等效模型
- 网络参数等效模型
- h参数等效模型
- y参数等效模型
- z参数等效模型
- 物理模型
- 建模的条件:
- 静态工作点合适
- 交流小信号
- 中低频信号
08-02 BJT混合参数模型的建立
-
在交流通路中可将晶体管看成为一个二端口网络,输入回路输、出回路各为一个端口
-
用两个函数分别描述输入和输出端口特性
-
为常数,为常数的意义
- =常数,,即输出端只有直流输出,没有交流输出,相当于输出端交流短路
- =常数,即输入端只有直流电流输入,没有交流电流,相当于输入端交流开路
因为此时只有直流电流和电压,所以是在静态工作点附近的情况
-
完整的混合参数等效模型
08-03 BJT混合参数模型的简化
-
: 恒定(输出端交流短路)时的输入电阻
- 物理意义:反映了输入电压对输入电流的控制能力
- 几何意义:表示输入特性的Q点处的切线的斜率的倒数
- 常用符号:
- 大小量级:~
-
:恒定(输入端交流开路)时的反向电压传输比
- 物理意义:反映了输出回路对输入回路影响的程度
- 几何意义:Q点附近输入特性曲线横向的疏密程度
- 常用符号:
- 大小量级:
-
:恒定(输出端交流短路)时的电流放大系数
- 物理意义:晶体管对电流的放大能力
- 几何意义:Q点附近输出特性曲线纵向的疏密程度
- 常用符号:
- 大小量级:~
-
:恒定(输入端交流开路)时的输出电导
- 物理意义:反映了输出电压对输出电流的控制能力
- 几何意义:输出特性曲线在恒流区的倾斜程度
- 常用符号:
- 大小量级:~ S
-
简化的h参数等效电路
08-04 BJT混合参数的确定
-
的获取:晶体管的参数手册上的
-
的求解
-
的意义
- 晶体管的动态等效输入电阻
- 只有经过静态分析,才能确定的值
- 的值与静态工作点密切相关
- 架起了静态与动态的桥梁
-
关于h参数模型的几点说明
- h参数是针对变化量定义的,因此该模型只 能用于分析动态信号,而不能用于分析直流信号
- h参数是在静态工作点的基础上定义的,因此只有晶体管工作于线性区,并且输入信号幅度不大时,此等效模型才成立
- 模型中的受控电流方向不能随意假定,必须和方向一致,即当流入基极时,受控电流应从集电极流向发射极
- 模型中没有考虑结电容的影响,因此只适用于低频信号,故称低频小信号模型
- NPN和PNP管的模型相同,和受控电流方向也相同
08-05 微变等效电路法
-
微变等效电路法:
- 动态:放大电路有信号输入()时的工作状态
- 动态分析:计算电压放大倍数、输入电阻、输出电阻等
- 所用电路:放大电路的交流通路
- 目的:找出与电路参数的关系,为设计打下基础
-
步骤:
-
h参数等效模型的适用条件是什么
-
什么情况下和的作用可忽略不计
-
如何有效地调整共射极放大电路的放大倍数
09-01 交流负载线分析
假设已经获得器件的实际特性曲线
画出交流通路
输入回路分析
输出回路分析
交流负载线比直流负载线更陡峭,当空载时,两线重合
09-02 非线性失真分析
-
非线性失真:由于器件特性的非线性引起的输出信号失真
-
截止失真
消除方法:适当增加基极电流(减小)可消除失真
-
饱和失真
-
信号幅度过大产生失真
消除方法:减小信号幅度
-
最大不失真输出电压
-
静态工作点的位置应该适中,既不能太高,也不能低
-
静态工作点的位置尽量设置在交流负载线的中间位置
-
如果输入信号幅度较小,可以适当降低静态工作点,减小管子的静态功耗
-
图解法特点
- 分析过程较为直观,有利于进一步理解放大电路的工作原理
- 适用手大信号作用下放大电路的动态分析
- 不易定量求解,难以分析输入输出电阻、频率特性等
- 主要用于观察Q点的位置是否合适,分析波形的非线性失真
- 方便估算最大输出幅值的数值
10-01 静态工作点稳定需求分析
-
在温度变化、三极管老化、电源电压波动等外部因素的影响下,将引起静态工作点的变动,严重时将使放大电路不能正常工作,其中影响最大的时温度的变化
-
固定偏置,温度的影响
-
当温度升高时,将增加,使Q点沿负载线上移,容易使晶体管T进入饱和区造成饱和失真,甚至引起过热烧坏三极管
-
稳定静态工作点的途径:
- 从元件入手
- 选择温度性能好的元件
- 经过一定的工艺处理以稳定元件的参数,防止器件老化
- 从环境入手
- 采取恒温措施
- 从电路改进入手
- 采用温度补偿
- 引入反馈
- 从元件入手
-
固定偏置不能稳定静态工作点,解决方案:改进偏置电路,当温度升高使增加时,能够自动减少,从而抑制Q点的变化,保持Q点基本稳定
10-02 稳定静态工作点的典型电路及其原理
-
二极管温度补偿电路
-
直流负反馈Q点稳定电路
-
射极偏置(直流电流负反馈)
-
分压偏置共射放大电路电路
-
引入负反馈和温度补偿
-
问题:
- 是不是越大越好
- 动态性能如何
- 旁路电容的作用
- 有无旁路电容对电路性能的影响
10-03 分压偏置共射放大电路的静态分析
-
戴维南等效法
-
估算法
-
关于的讨论
- 越大,负反馈越强,电路温度稳定性越好
- 太大其功率损耗也大
- 增大,增高,使减小,导致电路动态范围变窄,减小了最大输出电压幅度,若想保持不变,必须增大
因此不宜取得太大。在小电流工作状态下,可取几百欧到几千欧,大电流工作时,为几欧到几十欧
10-04 分压偏置共射放大电路的动态分析
-
动态参数求解
-
如果不加旁路电容
-
加旁路电容和不加旁路电容的比较
-
工程问题
- 为了保证分压偏置放大电路能够稳定静态工作点,应合理选择元件参数,满足以下两个条件:(实际电路中通常取)
- 不宜取得太大。在小电流工作状态下,可取几百欧到几干欧
- 若要调整分压偏置放大电路的静态工作点,通常的方法是调整上偏置电阻
- 若分压偏上放大电路的静态工作点正常,而放大倍数严重下降,应重点检查旁踏电容是否开路或者失效
11-01 基本共集放大电路
-
基本电路结构
-
静态分析
-
动态分析
-
共集放大电路的基本特点
- 有电压放大能力,但能够放大电流,因此具有功率放大作用
- 输出电压与输入电压的相位相同,输出电压和输入电压的波形几乎相同,故又名射极跟随器
- 输入电阻高且与R,有关,减小信号源到放大电路的信号衰减,信号获取能力强
- 输出电阻小且与有关,具有恒压输出特性,带负载能力强
-
共集放大电路的应用
11-02 基本共基放大电路
-
基本电路结构
-
静态分析
-
动态分析
交流通路
-
共基放大电路的基本特点和应用
- 共基放大电路电压放大能力强,且输出电压与输入电压同相,但不能放大电流,具有功率放大能力
- 共基放大电路的输入电阻低,输出电阻与共射放大电路相同
- 共基极放大电路的输入阻抗很小,会使输入信号严重衰减,不适合作为电压放大器,但可以作为“电流缓冲器”使用
- 共基极放大电路的高频性能良好,通频带在三种组态的放大电路中最宽
- 共基极放大电路适用于宽频带和高频的情况,稳定性较好的场合
11-03 三种组态放大电路的对比
-
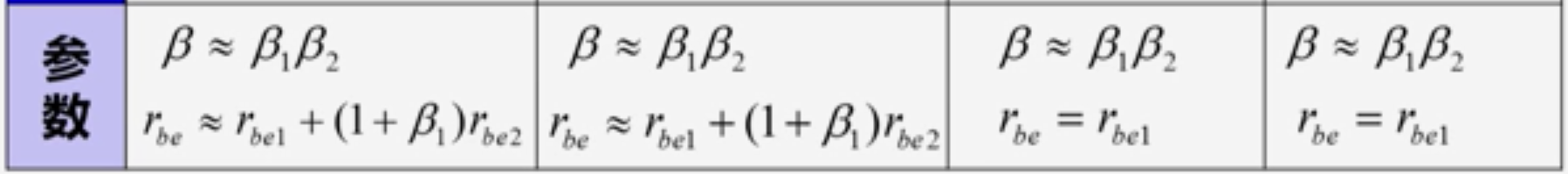
三种组态放大电路交流参数对比
-
特点和应用
- 共射电路:电压增益和电流增益都较高,输入电阻在三种组态中居中,输出电期与集电极电阻有很大关系。由于具备这些优点,它是最常用的一
种组态,而且还可以将多个共射放大器级联起来,构成多级放大器,以获得更高的增益 - 共集电脑:只放大电流、不放大电压,有电压跟随作用。所以不能用多个共然电路组成多级放大电路。但其在三种组态中,输入电阻最高,输出电阻最小,常用于多级电路输入级、输出级,以及作中间缓冲级
- 共基电路:只放大电压,不放大电流,有电流跟随作用,所以也不宜单纯由共基电路组成多级电路。其输入电阻小,输出电阻高。可用作恒流源。从目前我们所看到的这些特性,还看不出它突出的优点,实际上共基放大电路的通频带很宽,在高频和宽带的领域,它是大有用武之地的
- 共射电路:电压增益和电流增益都较高,输入电阻在三种组态中居中,输出电期与集电极电阻有很大关系。由于具备这些优点,它是最常用的一
11-04 复合管放大电路
-
用两只或多只三极管按一定规律进行组合,等效成一只三极管,称为复合管,又称达林顿管
-
组成复合管的原则
- 在前后两个三极管的连接关系上,应保证前级三极管的输出电流与后级三极管的输入电流的实际方向一致
- 外加电压的极性应保证前后两个三极管均为发射结正偏,集电结反偏,使两管都工作在放大区
- 为实现放大,应将前一只管子的集电极或射极电流作为第二只管子的基极电流
-
判断能否组成复合管
-
不同类型晶体管组合成的复合管,其类型取决于第一个管子
-
常用复合管结构
-
同类型的三极管组成复合管:,
-
两个不同类型的三极管组成复合管:,
-
复合管共射放大电路
-
复合管共集放大电路
12-01 频率响应问题的提出
- 实际应用中,电子电路所处理的信号几乎都不是简单的单一频率信号,它们的幅度及相位通常由固定比例关系的多频率分量组合而成,且具有一定的频谱
- 可以通过傅里叶变换得到基波和二次谐波,放大电路对不同频率信号的幅值放大不同,叫幅度失真,放大电路对不同频率信号产生的相移不同,表现为时间延时不同,叫相位失真,统称为频率失真
- 失真可分为线性失真和非线性失真
- 非线性失真:信号进入器件的非线性区域,会产生新的频率分量
- 频率失真:对不同频率的信号响应不同而造成的失真,不产生新的频率分量
- 是否产生新的频率分量区分线性和非线性失真
- 由于放大电路中存在电抗元件(如管子的极间电容,电路的负载电容、分布电容、耦合电容、射极旁路电容等),当信号频率较高或较低时,不但放大倍数会变小,而且会产生超前或滞后的相移,使得放大电路对不同频率信号分量的放大倍数和相移都不同
- 放大电路的放大倍数时信号频率的函数,称之为频率响应或频率特性
- 放大电路中存在电抗性元件,如耦合电容,旁路电容,变压器等
- 随着信号频率逐渐升高,晶体管极间电容和分布电容、寄生电容等杂散电容的容抗减小,对信号的传输带来较大的影响
- 当研究电路的高频响应时,三极管的低频小信号模型不再适用,而要采用高频小信号模型
- 电路中存在着电抗器件是影响频响的主要因素,当低频时,主要是耦合电容起作用,当高频时,主要是晶体管结电容起作用,由于耦合电容和结电容的影响,使得放大电路的放大倍数在低频和高频都会产生损失
- 频率响应是衡量放大电路对不同频率输入信号适应能力的一项技术指标
- 放大器频率特性的好坏直接影响输出信号的质量,对放大器的稳定性也有影响,因而在电路的分析和设计中十分重要
- 在设计电路时,应先了解信号的频率范围,并据此设计电路的频率特性
- 在使用电路前,应分析或实测其通频带,以确定电路是否适于工作频率
12-02 频率响应基本概念
-
频率响应:
放大器的增益禹频率的关系可表示为:
-
频平响应的波特图
- 横坐标改线性增长为指数增长以对数坐标表示
- 幅频纵坐标以分贝形式表示
- 曲线做直线化处理
-
和处以下降3dB(纵坐标相除得约等于3dB)
12-03 单时间常数RC电路的频率响应
-
RC高通电路
-
RC高通电路的对数幅频特性和对数相频特性
在拐点处存在最大误差5.71°
-
RC低通电路
在高频段,低通电路还将产生一个0~90°的滞后相移
-
电路的截止频率(和)取决于电容所在回路的时间常数
-
截止频率的表达式总可以写成的形式
-
对于一阶RC电路来说,在截止频率处,增益将下降3dB,且产生+45°或-45°的相移
-
比较
13-01 晶体管高频等效模型
13-02 晶体管频率特性分析
13-03 晶体管高频等效模型的单向化
14-01 单管共射放大电路中低频响应分析
14-02 单管共射放大电路高频响应分析
-
高频响应幅频特性
-
完整阻容耦合共射放大电路的频率响应
-
增益带宽积:放大器中频电压增益与通频带的乘积,BJT一旦确定,带宽增益积基本为常数
-
在实际电路中,当信号频率范围已知,放大电路只需具有与信号频率相对应的带宽即可,而且这样做将有利于抵抗外部的干扰信号。盲目追求宽频带不但无益,而且还将牺牲放大电路的增益
14-03 三种组态放大电路频率响应性能对比分析
15-01 场效应管概述
-
场效应管相比晶体管优点:热稳定性好。输入电阻大,工艺简单
-
单极型晶体管,电压控制元件
-
分类:
结型场效应管:
- N沟道
- P沟道
绝缘栅型场效应管:
- 增强型:
- N沟道
- P沟道
- 耗尽型:
- N沟道
- P沟道
15-02 结型场效应管
-
结构和符号:
-
工作原理:
-
-
输出特性曲线:
-
转移特性曲线:
对不同的,对应的转移特性曲线不同
在可变变阻区,不同的的转移特性曲线的差别较大
-
N沟道和P沟道结型场效应管比较:
15-03 绝缘栅型场效应管
-
结型场效应管的缺点:
- 栅源极间的电阻虽然可达以上,但在某些场合仍嫌不够高
- 在高温下,PN结的反向电流增大,栅源间的电阻会显著下降
-
金属氧化物半导体场效应管,简称MOSFET,分类
- 增强型
- N沟道
- P沟道
- 耗尽型
- N沟道
- P沟道
- 增强型
-
N沟道增强型MOS管
结构与符号
工作原理
输出特性曲线
转移特性曲线
-
N沟道耗尽型MOS管
结构和符号
特性曲线
-
N沟道和P沟道比较
15-04 场效应管的主要参数和选用
-
直流参数
饱和漏极电流:耗尽型场效应管,当时所对应的漏极电流
夹断电压:耗尽型FET的参数
开启电压︰增强型MOS管的参数,栅源电压小于开启电压的绝对值,场效应管不能导通
直流输入电阻:场效应三极管的栅源输入电阻的典型值,对于结型场效应管,反偏时约大于,对于绝缘栅型场效应管,约是~
-
交流参数
-
极限参数
- 漏极最大允许耗散功率 –最大漏极功耗可由决定,与双极型三极管的相当
- 漏源击穿电压 -当漏极电流I,急剧上升产生雪崩击穿时的
- 栅源击穿电压-当过高时,结型场效应管PN结可能击穿;MOS场效应管可能将二氧化硅绝缘层击穿,使栅极与衬底发生短路,形成破坏性击穿
-
双极型晶体管与场效应管的比较
-
双极型晶体管与场效应管的选择
- 只允许从信号源取较少电流的情况下(信号源内阻较高),选用场效应管
- 在信号电压较低,又允许从信号源取较多电流的条件下(信号内阻较低),应选用晶体管
- 有低功耗、弱信号和超高频等需求时,选用场效应管
- 环境变化较强烈的场合,适合采用场效应管
- 场效应管噪声系数小,要求信噪比较高的电路中要选择场效应管
-
注意事项
- 电源极性按规定接入,注意不能超过极限参数的规定数值
- 严格按照要求的偏置连接电路。对JFET要注意栅源电压极性不要接反,以免PN结正偏过流而烧坏管子
- MOSFET管的衬底和源极常连在一起,若需分开,则衬源电压使衬源的PN结反偏
- 对于MOSFET要特别注意栅极感应电压过高所造成的击穿问题
- 使用MOSFET时,相关设备和人员应保证良好的接地
-
各种场效应管使用要求
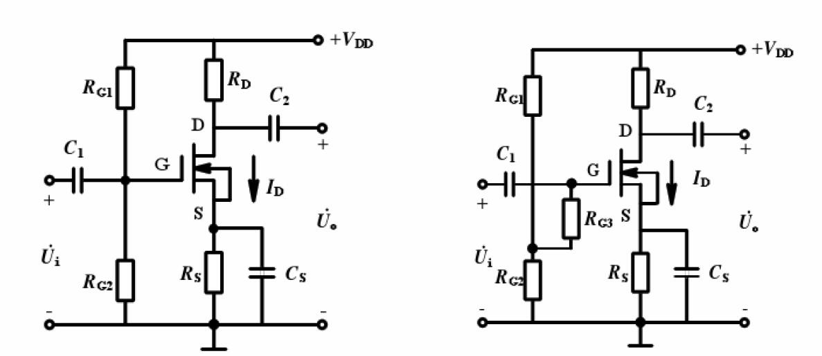
16-01 场效应管放大电路的偏置和静态分析
-
场效应管特性
-
场效应管特点和优势
- 电压控制器件,三极管是电流控制器件
- 输入电阻极高
- 单极型(多数载流子)器件,受温度影响少
- 使用灵活,制造工艺简单
-
场效应管放大电路的组成原则
- 静态:适当的静态工作点,使场效应管工作在恒流区,场效应管的偏置电路设计相对简单
- 动态:能将交流信号从信号源传输到负载
-
三种组态放大电路
-
场效应管偏置电路的要求
- 栅极只需要偏压,不需要偏流
- 注意各类FET的偏置极性区别
- 采用偏置稳定电路
-
FET的偏置电路分为固定偏置电路、自给偏压电路和分压式自偏压电路三种
-
场效应管放大电路的静态分析可以采用图解法和估算法
-
固定偏置电路
由于栅极的直流偏置电压是一个固定值(),),所以称为固定偏压式电路
-
自给偏压电路
-
分压式自偏压电路
16-02 场效应管微变等效模型
16-03 场效应管放大电路的动态分析
16-04 场效应管与晶体管放大电路的比较
-
比较与对应关系
-
使用比较
- 共源、共漏和共栅电路的输入电阻高于相应的共射、共集和共基电路的输入电阻
- 场效应管噪声低、温度稳定性好、抗辐射能力强
- 集成度高,适用于大规模集成电路
- 场效应管低频跨导较小,放大能力通常比三极管差
- MOS管栅源等效电容小,易击穿,使用操作要求高
-
场效应管适用于环境变化很大,要求信噪比较高,集成度要求高的场合
17-01 多级放大电路的耦合方式
-
在实际应用中,往往需要放大非常微弱的信号。为了获得更高的电压放大倍数,进一步优化放大器性能,可以把多个基本放大电路连接起来,组成多级放大电路,各级放大电路输入和输出之间的连接方式叫做耦合方式
-
对耦合电路的要求
- 静态:保证各级有合适的Q点
- 动态:传送信号
- 波形不失真
- 减少压降损失
-
常用的耦合方式:变压器耦合、光电耦合、阻容耦合和直接耦合
-
变压器耦合
-
变压器耦合的主要特点
- 对直流信号起到隔离作用,可消除温度引起的静态工作点的漂移
- 各级电路的静态工作点相互独立,便于设计和调试
- 在传输交流信号的同时,具有阻抗变换作用,可以实现阻抗匹配
- 选择恰当的变比,可在负载上得到尽可能大的输出功率
- 低频和高频特性性能都比较差
- 体积大、重量重、费用高、不宜集成化
-
光电耦合
-
光电耦合的主要特点
- 前后级的电气部分完全隔离,所以能有效地抑制电干扰
- 各级电路的静态工作点相互独立,便于设计和调试
- 放大能力较差,可用集成光电耦合放大器解决
因其抗干扰能力强而得到越来越广泛的应用
-
阻容耦合
-
阻容耦合的主要特点
- 各级电路的静态工作点相互独立,便于分析设计和调试;
- 对直流信号起到隔离作用,可以消除温度引起的静态工作点的漂移
- 对直流信号没有放大能力,对低频信号衰减较大
- 在集成电路里制造大电容很困难,不宜集成化
分立电路中用于交流信号的放大
-
直接耦合
-
直接耦合的主要特点
- 低频特性好,可以放大缓慢变化的信号(如随温度、光线变化的电信号等)
- 适合于集成化的要求,在集成运放的内部,级间都是直接耦合
-
直接耦合的缺点
-
零点漂移:当输入时,输出电压并不恒定,而是出现缓慢的、无规则的漂动。这种现象称为零点漂移,简称零漂。零漂实质上就是放大电路静态工作点的变化
-
零点漂移的危害
- 直接影响对输入信号测量的准确程度和分辨能力
- 严重时,可能淹没有效信号电压,无法分辨是有效信号电压还是漂移电压
-
抑制零点漂移是制作高质量直接耦合放大电路的一个重要的问题。第一级的漂移影响最大,对放大电路的总漂移起着决定性作用
-
第一级的漂移影响最大,对放大电路的总漂移起着决定性作用
-
抑制零点漂移一般措施
- 采用恒温措施,使晶体管工作温度稳定。需要恒温室或槽,设备复杂,成本高
- 用非线性元件进行温度补偿;引入直流负反馈
- 采用调制解调方式;采用差分放大电路
- 采用差分放大电路
17-02 多级放大电路分析
- 定性分析
- 几级电路
- 耦合方式
- 各级分别是什么组态
- 这个电路定性的性能特点
- 静态分析
- 前后两级静态工作点是否相互影响
- 阻容耦合——独立计算即可
- 直接耦合——联立方程
- KCL、KVL
- 前后两级静态工作点是否相互影响
- 动态分析
- 注意问题:后级作为前级的负载,前级作为后级的信号源
- 第i+1级放大电路的输入电阻应视为第i级放大电路的负载电阻
- 第i-1级放大电路的输出电阻应视为第i级放大电路的信号源内阻
- 电压放大倍数:总电压放大倍数等于各级电压放大倍数的乘积
- 输入和输出电阻:通常,多级放大电路的输入电阻就是输入级的输入电阻;输出电阻就是输出级的输出电阻,具体计算时,有时它们不仅仅决定于本级参数,也与后级或前级的参数有关




















































































































































































































