模电复习2
17-04 集成运放简介
-
在半导体制造工艺的基础上,将整个电路中的元器件及电路制作在一块硅基片上,构成特定功能的电子电路,称为集成电路
-
集成电路分类:
- 信号角度
- 数字型
- 模拟型
- 混合信号型
- 功能角度:集成运算放大器,集成功率放大器,集成高频放大器;集成中频放大器,集成比较器,集成乘法器,集成稳压器,集成数/模和模/数转换器等
- 信号角度
-
集成运算放大电路的特点
增益高、输入电阻大、输出电阻小,抑制温漂能力强
- 直接耦合方式;
- 充分利用管子性能良好的一致性采用差分放大电路和电流源电路
- 用复杂电路实现高性能的放大电路,因为电路的复杂化并不带来工艺的复杂性
- 用有源元件替代无源元件,如用常用有源器件代替电阻
- 采用复合管。
-
集成运算放大电路实质是一个具有高放大倍数的多级直接耦合放大电路
-
集成运算的基本组成
-
输入级需求和特点
- 高输入阻抗
- 低的零点漂移
- 高共模抑制比
- 高差模放大倍数
- 低静态电流
一般由带恒流源的差分放大器组成
-
中间级:
特点:有足够的放大能力
整个电路的主放大器电路的调理,一般由一级到多级直接耦合放大器组成
-
输出级:
特点:
- 输出电阻小
- 电压线性范围宽
- 非线性失真小
常采用互补对称输出电路,以提高集成运放的带负载能力
-
偏置电路
设置运放各级静态工作点
常采用电流源电路
18-01 镜像电流源
-
电流源的作用
- 为各级放大电路提供偏流以稳定静态工作点
- 作为有源负载取代不易集成的大电阻
-
对电流源电路的只要要求
- 能输出符合要求的直流电流;
- 温度稳定性好
- 受电源电压等因素的影响小
- 输出电阻尽可能大
-
如果一个电路向负载提供恒定电流(不随负载电阻的变化而变化) ,或者可以证明其输出电阻接近于无穷大,这个电路就是电流源电路
-
基本电流源电路
直流电阻:$R_{CE}=U_{CQ}/I_{CQ} $,小
交流电阻:,大
-
镜像电流源
输出电阻
优点
缺点
- 输出电流与基准电流存在误差
- 和导致的热稳定性下降
- (即)受电源变化的影响大,故对电源稳定度要求较高
- 适用于较大工作电流(mA数量级)的场合。若要获取小电流,则须使用大阻值的R,集成难度大
- 输出电阻不够大,稳定度不高
18-02 其他类型的电流源
18-03 电流源的应用
19-01 差分放大电路的结构和工作原理
-
抑制零点漂移是制作高质量集成运放的一个重要问题
-
第一级的漂移影响最大,对放大电路的总漂移起着决定性作用
-
差分放大电路基本结构
-
静态分析
-
动态分析
-
共模信号
理想情况:
双端输出:
对共模信号没有放大能力(温漂、干扰信号)
抑制共模信号能力的大小,反应了它对零点漂移的抑制水平
-
差模信号
理想情况:
双端输出:
对差模信号有放大能力(有用信号)
-
-
一对任意信号可分解为差模信号和共模信号,即电路中差模和共模信号是共存的
-
差分放大电路只放大差模信号,而抑制了共模信号
-
增益和输出电压
-
共模抑制比
19-02 典型差分放大电路及其分析
-
基本差分放大电路的每个管子的零漂并未受到抑制,两侧在大信号范围内做到完全抵消很困难
-
长尾差分放大电路
-
对电阻
-
共模信号输入响应
对共模信号具有负反馈作用,降低共模放大倍数,抑制共模信号
-
差模信号输入响应
对共模信号无反馈作用,不影响差模放大倍数
-
-
静态分析
-
动态分析
-
结论,长尾差分放大电路
- 抑制零点漂移
- 抑制共模信号
- 放大差模信号
- 提高电路共模抑制比
19-03 差分放大电路的四种接法
-
四种工作方式
- 双入双出
- 双入单出
- 单入双出
- 单入单出
-
四种工作方式比较
-
结论
- 差模放大倍数只与输出方式有关
- 双端输出时,与单管基本相同
- 单端输出时,约为双端输出时的一半
- 单端输出时,可以选择从不同的三极管输出,而使输出电压与输入压反相或同相
- 输入电阻较单管放大电路大
- 双端输出时的输出电阻是单端输出的2倍
- 双端输出时,理想情况下,共模抑制比趋近于无穷大
- 单端输出模式的共模抑制比不如双端输出高
- 单端输出时,由于引入很强的共模负反馈,两个管子仍基本工作在差分状态
19-04 差分放大电路的改进
-
电路并非理想对称使得输入信号为零输出不为零的现象称为失调
-
接入调零电位器的长尾差分电路
调零电位器小比较好
-
长尾电阻的选择
-
带有电流源的差分放大电路
-
双端变单端的转换电路
-
场效应管差分放大电路的优点
- 差模输入电阻很高
- 偏置电流小
- 功耗低
- 工作频率高
19-05 差分放大电路的传输特性
20-01 功率放大电路的特点和要求
-
功率放大电路需求
- 增强带负载能力
- 输出较大的功率
-
在电子系统中,模拟信号被放大后,往往要去推动一个实际的负载。如使扬声器发声、继电器动作、仪表指针偏转等。推动一个实际负载需要的功率很大。能输出较大功率的放大器称为功率放大器
-
功率放大器和电压放大电路的异同
-
相同点
- 本质相同:无论哪种放大电路,在负载上都同时存在输出电压、电流和功率,从能量控制的观点来看,放大电路实质上都是能量转换电路
- 都要依赖有源器件实现能量的控制和转换
- 均在输入信号作用下,将直流电源的直流功率转换为输出信号功率
-
不同点
-
任务不同
- 电压放大电路:不失真地提高输入信号的幅度,以驱动后面的功率放大级,通常工作在小信号状态
- 功率放大电路:信号不失真或轻度失真的条件下提高输出功率,通常工作在大信号状态
-
指标不同
- 电压放大电路:电压放大倍数、输入电阻、输出电阻等
- 功率放大电路:主要指标是功率、效率等
-
研究方法不同
- 电压放大电路:图解法、微变等效电路法
- 功率放大电路:图解法
-
晶体管工作状态不同
在小信号电压放大电路中,静态工作点较高,晶体管通常工作在甲类状态,而在功率放大电路中,为了获得更高的输出功率和效率,晶体管通常工作在乙类或甲乙类。
-
-
-
功率放大器的要求
-
能够输出较大的功率
为了使负载获得尽可能大的功率,功放电路中电流、电压要求都比较大,其中的半导体器件通常工作在极限状态下。为了保证管子安全工作,要求晶体管电流电压不能超过晶体管的极限值:
-
具有较高的功率转换效率()
:负载上得到的交流信号功率
:电源提供的直流功率
:管耗
转换效率是功率放大器的重要指标之一
-
具有较小的非线性失真
输出功率越大,相应的动态电压电流越大,器件非线性特性引起的非线性失真也越大 -
要考虑功率管的散热问题
功放管工作在大信号极限状态,选择功率管要注意不能超过其极限参数,留有裕量,并考虑过电压和过电流保护措施,以及器件的散热问题
-
-
功率放大电路研究的问题
- 结构问题:解决效率和失真之间的矛盾
- 性能问题:功率和效率
- 安全问题:晶体管的选用
20-02 功率放大电路的指标和分类
-
功率放大电路的主要指标参数
-
假设集电极瞬时电流和电压分别为和,则为
-
根据晶体管在周期信号周期内导通的时间不同,可以将功率放大电路分为甲类、乙类、甲乙类和丙类等
-
甲类功放
-
甲乙类功放
-
乙类功放
-
丙类功放
-
丁类功放
使管子工作在开关状态,对调制后的脉冲信号进行功率放大,利用晶体管的高速开关特性和低的饱和压降的特点,其效率很高,理论.上可达100%,实际可达90%
-
比较
20-03 乙类推挽功率放大电路的工作原理
-
乙类功率放大电路的特点
- 只在有信号时电源才提供电流
- 把电源提供的能量大部分用到负载上
- 提高整体效率
-
变压器耦合乙类推挽功放
优点:输入为零时,静态功耗等于零,效率高,可实现阻抗匹配
缺点:体积大,成本高,低频高频特性差,易产生自自激振荡,难以集成化
-
乙类互补对称式功放
互补对称:
电路中采用两只晶体管
NPN、PNP各一只
两管特性一致
-
互补对称功放
- 无输出变压器形式(OTL电路)
- 无输出电容形式(OCL电路)
-
OCL电路
- 两管互补对称
- 双电源供电
- 静态时,两管静态工作点为0
优点:输出功率大,失真小,保证度高
缺点:使用两组电源,成本高
-
OTL电路
-
变压器耦合、互补推挽功放的比较
变压器耦合 OTL OCL 电源 单电源供电 单电源供电 互补 晶体管类型 相同 互补 互补 低频响应 差 差 好 体积 大 小 小 效率 低 高 高
20-04 OCL功率放大电路性能分析
20-05 OCL电路中晶体管的选择
21-01 交越失真
-
交越失真现象
-
解决思路:在输入端为两管加合适的正偏电压,使其工作在甲乙类。由传输特性图可见:只要取值合适,上下两路传输特性起始段的弯曲部分就可相互补偿,合成传输特性趋近于直线,在输入正弦电压激励下,得到不失真的输出电压。
-
二极管偏置电路
-
倍增电路
-
二极管偏置、倍增电路具有热补偿功能
21-02 功率放大电路的改进
-
问题一:互补对称推挽电路要求两只功率管特性匹配,难以实现,解决办法:用复合管取代互补管,构成准互补推挽电路
-
问题二:实际中,往往会发生异常情况。例如,负载短路,致使通过功率管的电流迅速增大,一旦超过极限参数,造成管子损坏
-
问题三
解决办法:采用自举电路
将接入R,接入大容量电容
21-03 典型集成运放介绍
-
集成运放内部结构框图
对于高性能、高精度等特殊集成运放,还要增加有关部分的单元电路。例如:温度控制电路、温度补偿电路、内部补偿电路、过流或过热保护电路、限流电路、稳压电路等
-
输入级:输入电阻大、差模放大倍数大、共模放大倍数小、输入端耐压高,并完成电平转换(即对“地”输出)
-
中间级:中间级是主放大器,它所采取的一切措施都是为了增大放大倍数
-
输出级
-
基准电流:基准电流产生各放大级所需的偏置电流
-
特点:输入电阻大、差模增益大、输出电阻小、共模抑制能力强、允许的共模输入电压高、输入端耐压高、功耗低、电源电压适应范围较宽等
-
集成运放的主要参数
-
集成运放的符号
-
集成运放的实际传输特性
22-01 问题的提出
放大电路放大倍数不稳定,线性工作区小,频带窄,输入电阻不够高,负载能力不强,反馈是改进电路性能的有效手段之一
22-02 反馈的基本概念
-
反馈:泛指发出的事物返回发出的起始点,产生影响,电子技术中的反馈:将电路的输出量(电压或电流)的一部分或全部通过一定的方式回送到放大电路的输入端,并对输入量(电压或电流)产生影响,这个过程称为反馈(Feedback ),要能影响其输入量(电压或电流)才算有反馈!!
-
信号的单向化传输
-
反馈的三大环节
-
反馈的基本表达式
22-03 反馈的分类
-
对输出量取样:电压或电流,影响输入量:电压或电流,影响效果:增大或减小
-
正反馈和负反馈
-
负反馈将从多方面改善放大电路的性能
-
放大电路中引入正反馈后,会进一步加剧输出信号的变化,甚至使整个电路产生自激振荡而不能正常工作
-
正反馈往往用在信号发生电路中,其目的就是要电路发生自激振荡而产生所需的信号
-
当信号频率进入高频段或低频段时,会产生附加相移,在一定的条件下使反馈变为正反馈,甚至产生自激振荡
-
直流反馈:直流通路中存在的反馈称为直流反馈,闭环回路只能传递直流信号(稳定静态工作点)
-
交流反馈∶交流通路中存在的反馈称为交流反馈,闭环回路只能传递交流信号
-
交直流反馈:闭环回路既能传递交流信号,也能传递直流信号
-
电流反馈和电压反馈:根据反馈网络对输出量的取样对象不同,可以分为电压反馈和电流反馈
- 反馈信号取自输出电压,叫电压反馈,电压负反馈稳定输出电压
- 反馈信号取自输出电流,叫电流反馈,电流负反馈稳定输出电流
-
串联反馈和并联反馈:根据反馈信号在输入端与输入信号叠加形式的不同,可以分为串联反馈和并联反馈
- 反馈信号与输入信号以电压形式叠加,称为串联反馈,信号源最好为恒压源,即信号源内阻越小越好
- 反馈信号与输入信号以电流形式叠加,称为并联反馈,信号源最好为恒流源,即信号源内阻越大越好
-
反馈分类
- 正反馈
- 负反馈
- 交流反馈
- 电压串联负反馈
- 电压并联负反馈
- 电流串联负反馈
- 电流并联负反馈
- 直流反馈 稳定静态工作点
- 交流反馈
-
四种反馈组态的比较
22-04 反馈类型的判别
- 有无反馈的判断:是否有某些元件或网络,将输出信号引回到输入信号,并影响输入量
- 交直流反馈的判断:反馈存在于直流通路中还是交流通路中
- 反馈极性的判断:瞬时极性法
- 假设输入信号在某瞬时的极性为(+)
- 沿着放大电路、反馈网络,逐级标出电路中各点的瞬时极性,直至判断出反馈信号的瞬时极性
- 如果反馈信号的瞬时极性使净输入减小,则为负反馈;反之为正反馈
- 反馈极性快速判断
- 反馈信号与输入信号加在放大器的相同输入端
- 反馈信号与原输入信号瞬时极性相反——负反馈
- 反馈信号与原输入信号瞬时极性相同——正反馈
- 反馈信号与输入信号加在放大器的不同输入端
- 反馈信号与原输入信号瞬时极性相反—正反馈
- 反馈信号与原输入信号瞬时极性相同——负反馈
- 反馈信号与输入信号加在放大器的相同输入端
- 串联并联类型的判断
- 反馈信号和输入信号接于放大器的同一输入端—并联反馈
- 反馈信号和输入信号接于放大器的不同输入端—串联反馈
- 电压电流类型的判断
- 将负载短路(未接负载时输出对地短路),反馈量为零—电压反馈
- 将负载短路,反馈量仍然存在—电流反馈
23-01 负反馈对放大电路性能的影响
-
提高放大倍数的稳定性
-
负反馈使放大倍数下降到基本放大电路的1/(1+AF)
-
|1+AF|值越大,负反馈作用越强,也就越小
-
对输入电阻的影响:对输入电阻的影响仅与反馈网络和基本放大电路在输入端的接法有关,即决定于是串联反馈还是并联反馈
- 引入串联负反馈,输入电阻变为原来的1+AF倍
- 引入并联负反馈,输入电阻变为原来的1/(1+AF)
-
对输出电阻的影响:对输出电阻的影响仅与反馈网络和基本放大电路在输出端的接法有关,即决定于是电压反馈还是电流反馈
- 引入电压负反馈,输出电阻减小到原来的1/(1+AF)
- 引入电流负反馈,输出电阻变为原来的1+AF倍
-
电压负反馈稳定输出电压,使之输出趋近于恒压源
-
电流负反馈稳定输出电流,使之输出趋近于恒流源
-
展宽频带:由于负反馈可以提高放大倍数稳定性,因而对于频率不同而引起的放大倍数下降,也可以改善
-
引入负反馈后,带宽增大到无反馈时的1+AF倍
-
减小非线性失真:注意:负反馈只能减小反馈环内的失真
-
噪声性能不变:同减小非线性失真一样,引入负反馈可减小噪声,负反馈在减小噪声的同时,有用信号以同样的倍数在减小,其信噪比不变,所以引入负反馈放大器噪声性能不变
-
负反馈对放大器性能的影响主要表现为
-
降低增益
-
提高增益稳定性(或减小增益灵敏度)
-
改变电路输入,减小输出电阻
串联电压 串联电流 并联电压 并联电流 增大 增大 减小 减小 减小 增大 减小 增大 -
减小频率失真(或扩展通频带)
-
减小非线性失真
-
23-02 按需引入反馈
-
放大电路设计时引入负反馈的一般原则:
-
根据需影响的信号对象确定交直流反馈
- 为了稳定静态工作点应该引入直流负反馈
- 为了改善电路的动态性能,应该引入交流负反馈
-
根据信号源的性质确定串并联负反馈
- 当信号源是恒压源或内阻很小的电压源时应该引入串联负反馈
- 当信号源是恒流源或内阻很大的电流源时应该引入并联负反馈
-
根据负载对放大电路的要求确定电压电流负反馈
- 若需要稳定的电压输出或小,应该引入电压负反馈
- 若需要稳定的电流输出或大,应该引入电流负反馈
-
根据电路对信号源拾取电流大小确定串并联负反馈∶
- 若要求大或索取信号源电流小,应引入串联负反馈
- 若要求大或索取信号源电流大,应引入并联负反馈
根据四种组态交流负反馈放大电路的功能,选择合适的组态来实现信号的变换
-
-
欲从信号源获得更大的电流,并增强带负载能力,应在放大电路中引入何种类型负反馈? 并联电压负反馈
-
为了使电流信号转换成与之成稳定关系的电压信号,应引入什么反馈? 电压并联负反馈
-
为了使电压信号转换成与之成稳定关系的电流信号,应引入什么反馈? 电流串联负反馈
23-03 深度负反馈放大电路性能的估算
-
将T >>1或1+AF >>1称为深度负反馈条件,一般放大电路的开环增益很大,所以1+AF很大,反馈则为深度负反馈
-
深度负反馈放大电路的特点
-
深度负反馈放大电路输入输出电阻的估算
上述输入和输出电阻是指反馈环内的电阻,而有些电路的电阻可能不在环内,反馈对它不产生影响,在计算时应予以考虑
-
深度负反馈放大电路闭环增益的估算
-
分析步骤
23-04 负反馈放大电路的稳定性
-
自激振荡的现象:在不加输入信号的情况下,放大电路仍会产生一定频率的信号输出
-
负反馈放大电路自激振荡产生的原因:在高频区或低频区产生的附加相移达到180°,使中频区的负反馈在高频区或低频区变成了正反馈,当满足了一定的幅值条件时,便产生自激振荡
-
自激振荡条件
-
电路稳定条件:相位裕量>45°,增益裕量>10dB
-
相位补偿:滞后补偿、超前补偿
- 简单滞后补偿
- RC滞后补偿
- 密勒效应补偿
24-01 集成运放特性建模及分析依据
-
集成运放参数理想化
-
集成运放理想模型
-
由于实际集成运放的性能参数与理想运放十分接近,所以在分析计算时用理想运放代替实际运放所引起的误差并不大,在工程计算中是允许的,并且可以使问题的分析和计算大为简化,只有在分析误差时,才考虑运放的具体参数
-
理想传输特性
- 虚短
- 虚断
- 虚地(虚短的特例)
-
“虚地”是反相输入式放大电路的重要特点
-
“虚短”和“虚断”是集成运放线性应用的两个重要的分析依据,“虚短”和“虚断”并不意味着集成运放没有输入
-
理想运放线性应用电路的特点
- 线性区窄
- 开环增益不稳定
- 频带窄
解决:引入负反馈
-
将反馈信号引向反相输入端,使反馈信号抵消部分输入信号,保证在输入信号较大时,仍然很小,在传输特性的线性范围内,从而使集成运算放大器工作在线性区。同时,扩展带宽,改变输入、输出电阻
-
负反馈是判断是否为线性应用的主要电路标志
-
理想运放非线性区(饱和区)特点:无虚短,有虚断,非线性应用中的集成运放通常工作在开环状态或引入正反馈
-
结论:
- 在分析各种应用电路时,必须首先判断运放的工作区域
- 线性应用:有虚断、有虚短
- 非线性应用∶有虚断、无虚短
- 输出电压与负载无关分析多个运放构成的多级电路时可以分别对每个运放进行分析
- 分析目标∶传输特性(输入与输出信号关系特性)
-
集成运放的应用
-
线性应用
-
信号运算电路
- 比例运算
- 加减法运算
- 微积分运算
- 对指数运算
-
信号转换电路
-
有源滤波器
-
-
非线性应用
- 电压比较器
-
24-02 比例运算
-
引入深度负反馈后,由,输出电压和输入电压的关系基本决定于反馈网络的结构与参数,而与运算放大器本身的参数关系不大,改变输入电路和反馈电路的结构形式,就可以实现不同的线性应用
-
分析
- 目的:
- 方法:“虚短”和“虚断”是基本出发点
- 理想运放模型,分析误差时考虑运放的具体参数
-
反相比例运算
与极性相反
只与、有关,与运放本身参数无关
可大于1,也可等于1或小于1
输入电阻较小,对信号源的负载能力有一定的要求
输出电阻小,带负载能力强
存在“虚地”,,对的要求低
-
问题
-
同相比例运算电路
-
电压跟随器
电压跟随器输出电压等于输入电压幅度,并对前级电路呈高阻状态,对后级电路呈低阻状态,因而对前后级电路起到“隔离”作用
-
反相输入比例和同相输入比例比较
24-03 加减运算
-
反相加法
从不同输入端看进去的输入电阻不同
存在“虚地”,运算精度受器件性能影响较小
改变某一电路的输入电阻,可调节电路的比例关系,而不影响其它路的比例关系,调节方便
可方便的扩展到多个输入电压相加
-
同相加法
-
减法运算电路(差分放大器)
元件少,成本低
电路存在共模输入,集成运放的对运算精度有影响
阻值的计算和调整不方便
每个信号源的输入电阻都较小
-
差分放大器改进
-
仪表放大器
24-04 微积分运算
-
反相积分运算电路
与RC积分电路相比,运放所构成的有源积分电路,由于充电电流基本恒定,因此其积分曲线的线性度较好
-
积分电路应用
-
其他积分电路
-
反相微分电路
抗干扰能力较差:高频干扰信号使得运放出现阻塞现象,不能正常工作
易引起自激振荡:滞后效应与运放内部的相位滞后作用叠加,很容易满足自激振荡条件,造成电路不稳定
-
实用微分电路
-
PID调节器
24-05 其它信号运算电路
-
对数运算电路
-
改进的对数运算电路
-
指数运算
-
由对数和指数运算电路实现乘法或除法运算电路
-
模拟乘法器
是实现两个模拟信号相乘的器件,是一种多用途、通用性很强的集成电路
广泛应用于乘法、除法、乘方、开方等模拟运算,同时也广泛应用于信号调制、解调、混频、倍频、鉴相等领域
基本原理
扩展及符号
-
乘法器应用
24-06 集成运放参数对运算精度的影响
- 、、为有限值时,反相放大器的实际增益与理想值之间的偏差与密切相关,越大,误差越小
- 越大,引入的负反馈就越接近深度负反馈,就越接近
- 越大,误差越小
- 为有限值时,同相放大器的实际增益与理想值之间的偏差取决于与的比值,越大,误差越小
- 越大,同相放大器运算精度越高
- 失调电压、失调电流和偏置电流带来的误差
- 利用运放自带的调零电路,输入端增加补偿电路
25-01 滤波器基本概念
-
对信号有选择性地传输的电路称为滤波器,它能使有用信号通过而同时抑制(或大大衰减)无用频率信号
-
滤波器的幅频特性,通带,过渡带,阻带的概念
-
过渡带越窄,频率特性越陡峭,电路的选择性越好,滤波特性越好
-
滤波器分类:
-
LPF低通滤波器
-
HPF高通滤波器
-
BPF带通滤波器
-
BEF带阻滤波器
-
APF全通滤波器
-
-
全通滤波器主要起移相的作用
-
无源滤波器,由无源器件构成的滤波器
-
有源滤波器:由有源器件构成的滤波器
-
有源滤波电路的优点
- 输入与输出之间具有良好的隔离,滤波参数不随负载变
- 电路中的集成运放可引入串联电压负反馈,使高,低
- 除起滤波作用外,还可以放大,而且放大倍数容易调节
-
有源滤波电路是信号处理电路,其输出电压和电流的大小受有源元件自身参数和供电电源的限制;
-
无源滤波电路可用于高电压大电流,如直流电源中的滤波电路
-
有源滤波器不宜用于高频范围
-
滤波电路的主要参数
25-02 有源低通滤波器
- 一阶低通滤波器
- 二阶低通滤波器
25-03 其他滤波器
- 高通滤波器
- 带通滤波器
- 带阻滤波器
- 全通滤波器
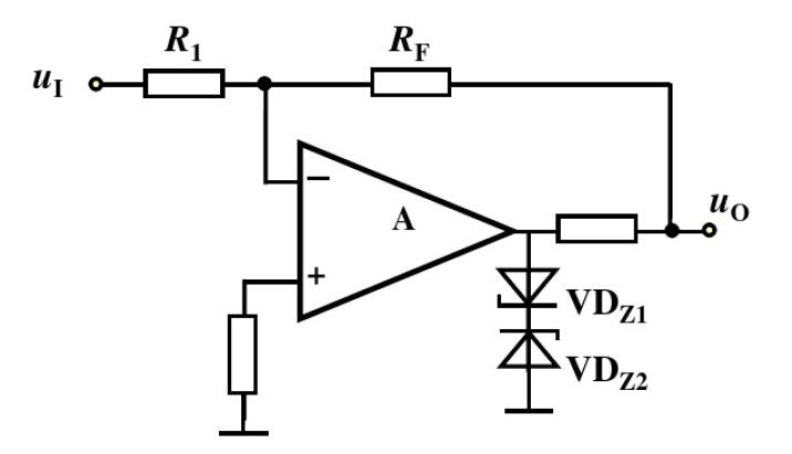
26-01 电压比较器简介
-
电压比较器:对两个输入电压的大小进行比较,并根据比较结果输出高、低两个电平,反之,也可以根据输出电平的高低,判断输入信号的大小和极性
-
对比分析
线性应用 非线性应用——电压比较器 分析依据 有虚短,有虚断 有虚断,无虚短 电路特征 引入负反馈 开环或仅引入正反馈 描述方法 电压传输特性曲线 分析方法 电流方程或叠加法 三W法 -
电压传输特性曲线
-
电压比较器的分类
26-02 单限比较器
-
电压传输特新的三要素
- Where:输出高电平和输出低电平
- When:门限电平
- How输入电压过门限电平时输出电压的跃变方向
-
Where:观察输出电路,一般由运放输出限幅电路求出
-
When:写出和的表达式,令其相等,求出即为
-
How:结合的输出端子,观察和时的输出
-
过零比较器
-
输入端和输出端限幅电路
-
例题
-
优点:结构简单、灵敏度高
-
缺点:输出波形不够陡、抗干扰能力差
解决办法:采用具有滞回特性的比较器
26-03 滞回比较器和窗口比较器
26-04 电压比较器的应用
用于非正弦波发生电路:输出无稳态,有两个暂态,若输出为高电平时定义为第一暂态,则输出低电平为第二暂态,基本组成:开关电路、反馈网络、定时电路
26-05 集成电压比较器
-
集成电压比较器的特点
- 两个输出状态转换速度快,响应速度快,传输延迟时间短
- 内部噪声抑制技术防止参考电压输入导致的自激
- 驱动能力强,可以直接驱动各种负载
- 通常可直接驱动集成数字电路
- 总体增益较低,共模抑制性能相对较差
集成电压比较器和集成运放不能互换使用
-
集成电压比较器的类型
- 集成个数:单电压比较器、双电压比较器、四电压比较器
- 输出方式∶普通输出、集电极开路、互补输出
- 信号响应速度∶高速、中速、低速
- 集成制造工艺:双极型、CMOS型
- 性能指标:高精密、高灵敏度、低功耗、低失调等
-
集成运放使用中的问题
27-01 直流稳压电源简介
-
直流稳压电源:将220V、50Hz的交流电转换成幅值稳定的直流电压(几伏或几十伏),同时提供一定的直流电流(几安或几十安)
-
小功率直流稳压电源的组成:
- 变压电路
- 整流电路
- 滤波电路
- 稳压电路
-
直流稳压电源的主要技术指标
质量指标:衡量稳压电源稳定性能状况
稳压系数
温度系数
纹波电压
纹波系数
27-02 整流电路
-
整流电路的作用:将交流电压转变为单向脉动的直流电压
-
整流原理:利用二极管的单向导电性
-
常见的整流电路:半波、全波、桥式整流
-
分析时可把二极管当作理想元件处理:二极管的正向导通电阻为零,反向电阻为无穷大
-
单相半波整流
- 优点:结构简单,使用的元件少
- 缺点:仅在电源的半个周期内导通,电源利用率低,输出的直流电压成分比较低,输出波形的脉动大
故半波整流只用在要求不高,输出电流较小的场合
-
全波整流:结构复杂,对二极管的耐压要求高
-
单相桥式整流的四种画法
-
单相桥式整流电路的特点
缺点:二极管用得较多
优点:输出直流电压大,纹波电压较小,晶体管所承受的最大反向电压较低,电源变压器得到了充分的利用,效率较高
整流桥∶体积小,成本低、可靠性高,使用方便
-
三种整流电路的性能比较
单相桥式整流电路的总体性能优于单相半波和全波整流电路,应用最为广泛
27-03 滤波电路
-
滤波
-
电容滤波:电容滤波电路的输出电压在负载变化时波动较大,说明它的带负载能力较差,适用于输出电压较高,负载电流较小且负载变动不大的场合
-
电感滤波:
- 电感L与负载串联组成分压电路,L越大或越小,输出电压和电流的脉动越小,滤波效果越好
- 整流管导电角较大,峰值电流很小,输出特性比较平坦,带负载能力强
- 缺点是电感铁芯笨重,体积大,易引起电磁干扰,输出电压没有电容滤波高
-
LC滤波电路
-
其他滤波电路
-
常用滤波电路的特点
27-04 稳压电路
-
将不稳定的直流电压变换成稳定且可调的直流电压的电路称为稳压电路
-
稳压电路需要解决的问题
- 当负载变化时,由于整流滤波电路存在内阻,因此输出直流电压将随之发生变化
- 当电网电压波动时,因整流电路的输出电压直接与变压器副边电压有关,因此也要相应地变化
- 环境温度变化时,输出电压将变化
-
分类:线性稳压电路、开关型稳压电路
-
并联稳压电路
优点:电路结构简单,使用元件少,调试方便
缺点:输出电压不可调,输出电流小
适用于输出电压固定,输出电流不大,且负载变动不大的场合
-
串联反馈式稳压电路
-
串联反馈式电路的特点:
- 稳压性能较好
- 输出电压调节范围宽
- 输出电流较大
- 电源效率较低,大功率电源需设散热装置
负载变动大,稳压性能要求高,输出电压可调的场合
27-05 集成稳压器
28-01 正弦波振荡电路简介
-
正弦波振荡电路:将直流能量转换为交流能量,与放大电路不通同,它不需要外加激励信号,只要满足振荡的平衡条件就可以产生一定频率和幅度的正弦交流信号
-
起振条件
-
平衡条件
-
起振
-
稳幅
-
振荡电路的基本组成
- 放大电路
- 反馈网络
- 选频网络
- 稳幅环节
























































































































































































